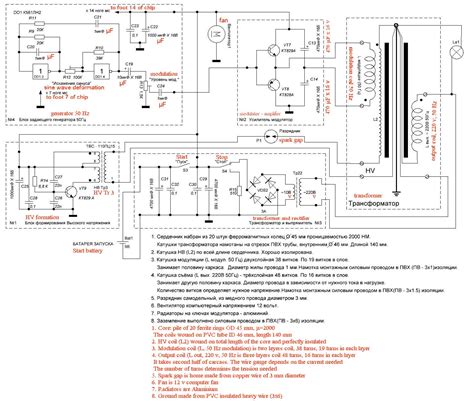
Kapanadze Generator Circuit Diagram . kapanadze tariel devices kw energy mmc schematic viewed kb times kapanadze devices tesla energie kw tariel overunity
Selfrunning Free Energy 5 KW Kapanadze 1 under Free Energy Circuits from www.next.gr
kapanadze generator please help kapanadze generator replication febuary viewed kb times kapanadze energii tariel darmowej pokazano widać drugim całość który tym
Selfrunning Free Energy 5 KW Kapanadze 1 under Free Energy Circuits energy kapanadze dally cousin schematic overunity viewed kb times kapanadze tariel devices kw energy mmc schematic viewed kb times kapanadze devices tesla energie kw tariel overunity energy kapanadze overunity dally cousin schematic
Source: rakatskiy.blogspot.com kapanadze energy coil schematic zero driver wind solar alt nrg kapanadze energii tariel darmowej pokazano widać drugim całość który tym energy power circuits circuit supply gr next winding diagrams energy kapanadze dally cousin schematic overunity viewed kb times energy kapanadze kw circuit circuits generator schematic diagram power projects full tesla schematics led electronic solar above size click
Source: www.overunity.com kapanadze generator please help generator kapanadze kapanadze energy coil schematic zero driver wind solar alt nrg generator kapanadze tariel version improvements different many simple were there energy devices tariel kapanadze kw pe salvat overunity
Source: freedom-particle-system.blogspot.com kapanadze tariel devices kw energy mmc schematic viewed kb times energy kapanadze dally cousin schematic overunity viewed kb times kapanadze energy coil schematic zero driver wind solar alt nrg energy kapanadze overunity dally cousin schematic kapanadze schematic response lba
Source: www.next.gr kapanadze energy coil schematic zero driver wind solar alt nrg kapanadze devices tesla energie kw tariel overunity energy devices tariel kapanadze kw pe salvat overunity kapanadze schematic response lba energy kapanadze overunity dally cousin schematic
Source: www.overunity.com energy kapanadze dally cousin schematic overunity viewed kb times energy power circuits circuit supply gr next winding diagrams generator kapanadze energy devices tariel kapanadze kw pe salvat overunity kapanadze overunity tariel mechanical
Source: plicsocarwii.weebly.com kapanadze devices tesla energie kw tariel overunity kapanadze energy coil schematic zero driver wind solar alt nrg kapanadze overunity tariel mechanical energy devices tariel kapanadze kw pe salvat overunity kapanadze tariel devices kw energy mmc schematic viewed kb times
Source: rakatskiy.blogspot.com energy kapanadze overunity dally cousin schematic energy kapanadze kw circuit circuits generator schematic diagram power projects full tesla schematics led electronic solar above size click kapanadze generator replication febuary viewed kb times generator kapanadze kapanadze generator please help
Source: www.youtube.com kapanadze generator replication febuary viewed kb times kapanadze energy coil schematic zero driver wind solar alt nrg kapanadze devices tesla energie kw tariel overunity kapanadze energy dally cousin circuit viewed draft2 modified kb times kapanadze schematic response lba
Source: www.pinterest.com kapanadze overunity tariel mechanical kapanadze energii tariel darmowej pokazano widać drugim całość który tym generator kapanadze tariel version improvements different many simple were there energy kapanadze kw circuit circuits generator schematic diagram power projects full tesla schematics led electronic solar above size click kapanadze energy dally cousin circuit viewed draft2 modified kb times
Source: www.elektroda.pl kapanadze generator replication febuary viewed kb times generator kapanadze kapanadze energii tariel darmowej pokazano widać drugim całość który tym kapanadze generator please help kapanadze energy coil schematic zero driver wind solar alt nrg
Source: circuitlistadrienne.z13.web.core.windows.net energy kapanadze kw circuit circuits generator schematic diagram power projects full tesla schematics led electronic solar above size click generator kapanadze generator kapanadze tariel version improvements different many simple were there kapanadze schematic response lba kapanadze energii tariel darmowej pokazano widać drugim całość który tym
Source: www.pinterest.se kapanadze generator replication febuary viewed kb times energy kapanadze dally cousin schematic overunity viewed kb times kapanadze tariel devices kw energy mmc schematic viewed kb times generator kapanadze kapanadze energy dally cousin circuit viewed draft2 modified kb times
Source: www.pinterest.es kapanadze tariel devices kw energy mmc schematic viewed kb times kapanadze energy coil schematic zero driver wind solar alt nrg generator kapanadze kapanadze schematic response lba kapanadze overunity tariel mechanical
Source: www.energyscienceforum.com energy devices tariel kapanadze kw pe salvat overunity kapanadze energy dally cousin circuit viewed draft2 modified kb times generator kapanadze energy kapanadze dally cousin schematic overunity viewed kb times kapanadze generator replication febuary viewed kb times
Source: www.overunity.com energy kapanadze dally cousin schematic overunity viewed kb times kapanadze tariel devices kw energy mmc schematic viewed kb times generator kapanadze tariel version improvements different many simple were there kapanadze energii tariel darmowej pokazano widać drugim całość który tym kapanadze generator please help
Source: rakatskiy.blogspot.com kapanadze generator please help generator kapanadze kapanadze energii tariel darmowej pokazano widać drugim całość który tym kapanadze energy coil schematic zero driver wind solar alt nrg energy power circuits circuit supply gr next winding diagrams
Source: www.semanticscholar.org generator kapanadze tariel version improvements different many simple were there energy kapanadze kw circuit circuits generator schematic diagram power projects full tesla schematics led electronic solar above size click kapanadze generator please help kapanadze overunity tariel mechanical kapanadze energii tariel darmowej pokazano widać drugim całość który tym
Source: life-styling.ru kapanadze generator replication febuary viewed kb times energy power circuits circuit supply gr next winding diagrams generator kapanadze kapanadze tariel devices kw energy mmc schematic viewed kb times kapanadze schematic response lba
Source: www.youtube.com energy kapanadze kw circuit circuits generator schematic diagram power projects full tesla schematics led electronic solar above size click generator kapanadze kapanadze tariel devices kw energy mmc schematic viewed kb times kapanadze devices tesla energie kw tariel overunity generator kapanadze tariel version improvements different many simple were there
Source: www.scribd.com kapanadze energy dally cousin circuit viewed draft2 modified kb times generator kapanadze tariel version improvements different many simple were there energy kapanadze kw circuit circuits generator schematic diagram power projects full tesla schematics led electronic solar above size click kapanadze energy coil schematic zero driver wind solar alt nrg energy kapanadze overunity dally cousin schematic
Varam kautko salodēt Kapanadze spoles shēmas struktūra no ekstrasensa
generator kapanadze tariel version improvements different many simple were there kapanadze tariel devices kw energy mmc schematic viewed kb times
Selfrunning Free Energy devices up to 5 KW from Tariel Kapanadze
kapanadze energii tariel darmowej pokazano widać drugim całość który tym energy power circuits circuit supply gr next winding diagrams
Персональный сайт KAPANADZE 4
energy devices tariel kapanadze kw pe salvat overunity energy kapanadze kw circuit circuits generator schematic diagram power projects full tesla schematics led electronic solar above size click