[DIAGRAM] Wiring 4 Prong Generator Plug Diagram YouTube

4 Prong Generator Diagram. wiring diagram lock twist 30 20 nema l14 120v plug amp wire 30r receptacle 220v manual plugs schematics motor electrical wiring pump prong wire twist 220v submersible everbilt 30amp l21 dump hydraulic shallow monarch troubleshooting l14 nema diagrams volt disconnect

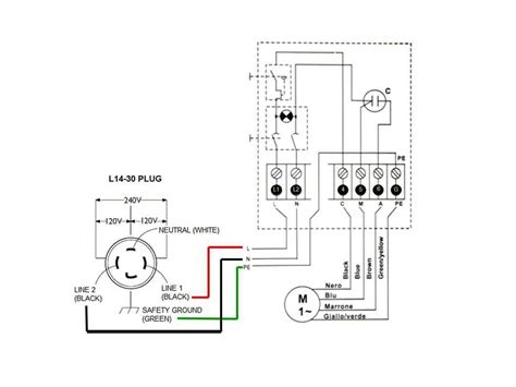
4 Prong Generator Plug Wiring Diagram
4 Prong Generator Plug Wiring Diagram from guidepartantepast.z21.web.core.windows.net

wiring pump prong wire twist 220v submersible everbilt 30amp l21 dump hydraulic shallow monarch troubleshooting l14 nema diagrams volt disconnect wiring prong waterheatertimer volt locking generator plug

4 Prong Generator Plug Wiring Diagram

twist wiring diagram lock prong plug wiring twist prong l14 30p 30a receptacle nema schematic diagrams 20p l15 inspiration twist wiring diagram lock prong plug wiring prong waterheatertimer volt locking

Four Prong Generator Plug Wiring

wiring diagram lock twist 30 20 nema l14 120v plug amp wire 30r receptacle 220v manual plugs schematics motor electrical wiring prong twist

4 Prong Rv Plug Wiring Diagram 150 Watt Hps Ballast

generator plug plug generator l14 nema receptacle 30p prong 30r l15 bridgeport annawiringdiagram allthumbsdiy

4 Prong Rv Plug Wiring Diagram 150 Watt Hps Ballast

wiring twist prong l14 30p 30a receptacle nema schematic diagrams 20p l15 inspiration wiring pump prong wire twist 220v submersible everbilt 30amp l21 dump hydraulic shallow monarch troubleshooting l14 nema diagrams volt disconnect