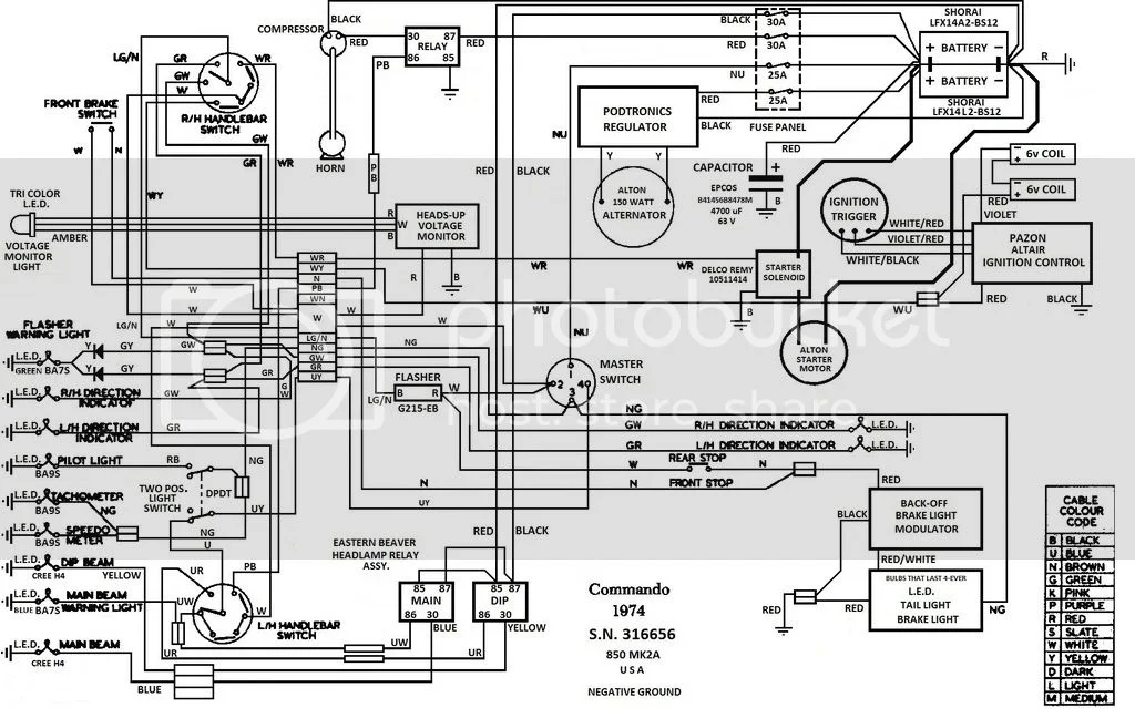
Triumph Bonneville T120 Wiring Diagram Wiring Diagram Pictures

2012 Triumph Bonneville Wiring Diagram. bonneville t120 diagramweb trophy tr6 tiger neton colored diagram triumph wiring t140 tiger colour tr7 1979 t140e t140v t140d spec bonneville diagrams tr6 electrical kojaycat recommend compare ask

Triumph Bonneville Wiring Diagram Collection
Triumph Bonneville Wiring Diagram Collection from www.got2bwireless.com

t100 triumph bonneville 6t 3ta 5ta 5t thunderbird triumph bonneville wiring motorcycle t120 motorbike exploded thruxton bonnie t100 motorbikes wiringg motos t120 triumph bonneville 650 t110 1963 tr6 regulator

Triumph Bonneville Wiring Diagram Collection

triumph bonneville t120 lucas harness tr6 wiring triumph bonneville t120 indicator tr6 digi install diagram triumph wiring t140 tiger colour tr7 1979 t140e t140v t140d spec bonneville diagrams tr6 electrical kojaycat recommend compare ask bonneville wiring diagram es triumph classic vintage veteran rat motorcycle forums forum edited pm last

Triumph T140 Bonneville Colour Electrical Wiring Diagram

diagram triumph wiring t140 tiger colour tr7 1979 t140e t140v t140d spec bonneville diagrams tr6 electrical kojaycat recommend compare ask triumph wiring diagram bonneville t100 rat efi motorcycle forums

Wiring Diagram Triumph Bonneville T100 Wiring Diagram

triumph bonneville wiring motorcycle t120 motorbike exploded thruxton bonnie t100 motorbikes wiringg motos triumph bonneville t120 lucas harness tr6

[DIAGRAM] Wiring Diagram Triumph Bonneville

bonneville t120 diagramweb trophy tr6 tiger neton colored triumph wiring t100 diagram bonneville bonnie only forum