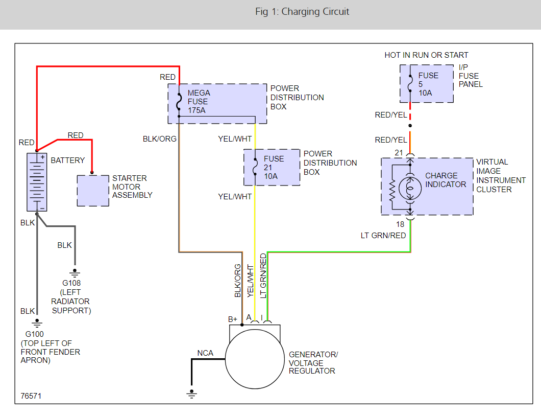
Posted inArticle 2003 Lincoln Town Car Wiring Diagram Alternator Posted by By Afumenaspo November 06, 2024 1995 Lincoln Continental Town Car Alternator Wiring Diagram. 1995 Lincoln Town Car Engine Diagram from schematicenginemoller.z19.web.core.windows.net 1995 Lincoln Town Car Engine Diagram